赫邦公司2020年第4季度环境检测项目公示

2020.11.10

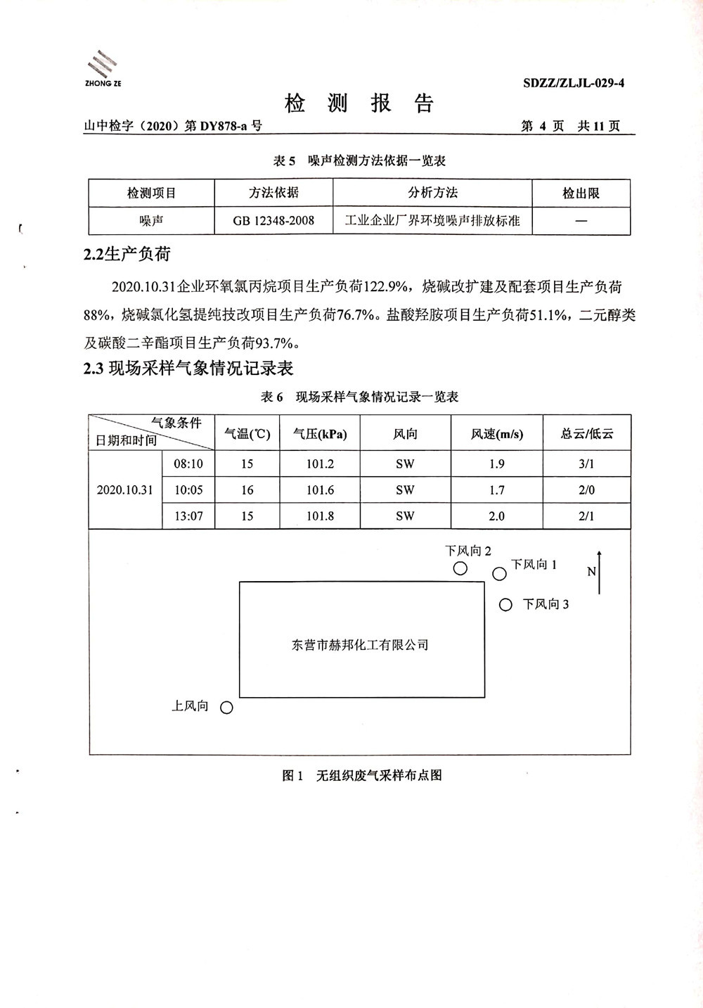
女教师の爆乳BD在线观看女教师の爆乳BD在线观看女教师の爆乳BD在线观看女教师の爆乳BD在线观看女教师の爆乳BD在线观看女教师の爆乳BD在线观看女教师の爆乳BD在线观看女教师の爆乳BD在线观看女教师の爆乳BD在线观看女教师の爆乳BD在线观看女教师の爆乳BD在线观看女教师の爆乳BD在线观看女教师の爆乳BD在线观看