女教师の爆乳BD在线观看-免费播放男人添女人下边APP-欧美人与善交大片免费看-小雪被老汉各种姿势玩弄视频-国产成AV人在线观看天堂无码
首页
关于我们
新闻公告
产品中心
联系我们
0546-7710697
确定
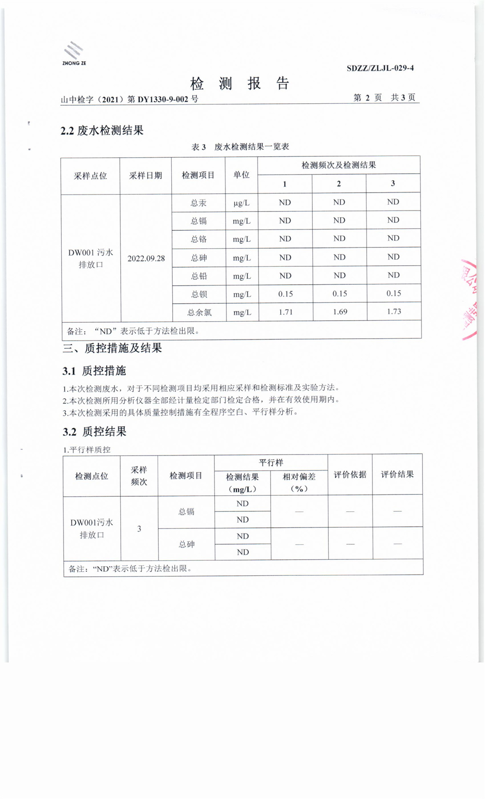
赫邦公司2022年9月份环境检测项目公示
2022.10.01
展开
TOP
海科集团